欢迎您访问洛阳鸿元轴承科技有限公司网站!
全国咨询热线: 18837917076 网站地图

产品展示

滚珠丝杠支撑轴承

ZKLF推力角接触球轴承

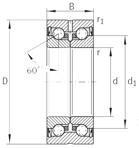
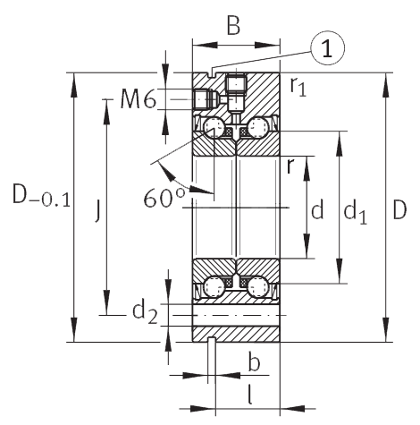
推力角接触球轴承是用于丝杠驱动轴承布置的精密轴承,根据不同系列,他们可以承受径向力以及一个或两个方向的轴向力。接触式密封可以使滚动体免受污染物和水分的侵害。
品牌: 滚道形状:
产品详情

推力角接触球轴承是用于丝杠驱动轴承布置的精密轴承,根据不同系列,他们可以承受径向力以及一个或两个方向的轴向力。接触式密封可以使滚动体免受污染物和水分的侵害。对于较高转速,可采用最小间隙密封。

这种轴承有外圈带安装孔和外圈不带安装孔两种类型,带安装孔的轴承通过螺栓直接安装在相邻结构上,由于没有定位孔德要求或者不需要加工轴承相匹配的轴承端盖,这种解决方案特别经济。

对于某些应用领域,较低精度的轴承布置通常就足够了,因此我们也提供较大公差的轴承。

ZKLF推力角接触球轴承

1.png

2.png

参数1.png

参数2.png