欢迎您访问洛阳鸿元轴承科技有限公司网站!
全国咨询热线:
18837917076
网站地图
首页
关于我们
公司简介
企业理念
发展历程
企业相册
产品展示
转台轴承
交叉滚子轴承
等截面薄壁轴承
精密转盘轴承
机器人减速器轴承
角接触球轴承
滚珠丝杠支撑轴承
圆柱滚子轴承
推力轴承
薄壁深沟球轴承
圆锥滚子轴承
行业应用
精密机床
数控转台
工业机器人
直驱电机
医疗器械
航空与国防
船舶重工
通讯测控
雷达设备
精密机械设备
新闻资讯
公司新闻
行业动态
常见问题
荣誉资质
荣誉证书
资质认证
联系我们
产品展示
转台轴承
交叉滚子轴承
等截面薄壁轴承
精密转盘轴承
机器人减速器轴承
角接触球轴承
滚珠丝杠支撑轴承
圆柱滚子轴承
推力轴承
薄壁深沟球轴承
圆锥滚子轴承
推力轴承
推力球轴承
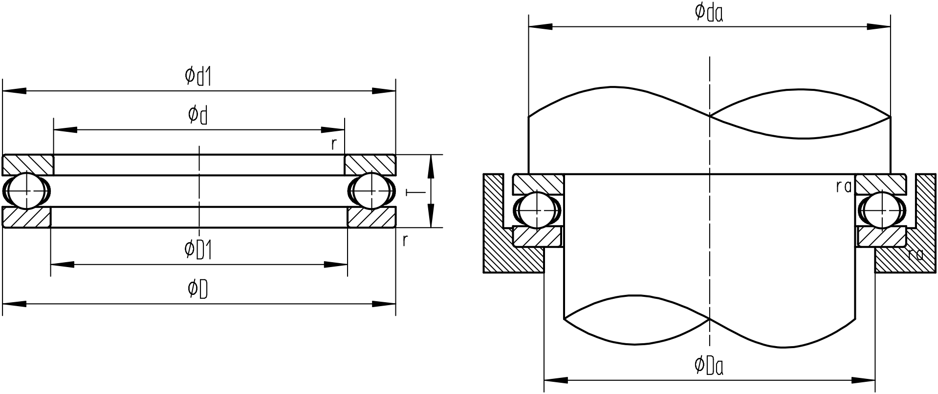
推力球轴承由轴圈、底圈、球和保持架组件构成。此类轴承是可分离轴承,即球和保持架组件与垫圈可以分别安装。推力球轴承有单向轴承和双向轴承两种设计。
品牌:
滚道形状:
在线咨询
18837917076
产品详情
推力球轴承
由轴圈、底圈、球和保持架组件构成。此类轴承是可分离轴承,即球和保持架组件与垫圈可以分别安装。
推力球轴承有单向轴承和双向轴承两种设计,二者都可承受很高的轴向力但不能承受径向力。
更多产品
HXSA系列外齿圈交叉滚子转盘轴承
2344、2347系列双向推力角接触球轴承
HVSI系列内齿圈四点接触球转盘轴承
单列圆柱滚子轴承
返回
友情链接:
全国咨询热线:
18837917076