

产品展示
机器人减速器轴承谐波减速器轴承包括刚性轴承和柔性轴承两大类型,刚性轴承包含四种系列,CSG(CSF)系列、CSD系列、SHG(SHF)系列、SHD系列,其命名方式采用减速器的命名;柔性轴承的命名为HYR。
谐波减速器用刚性轴承为交叉圆柱滚子结构,根据其使用场合分为外圈分体、内圈整体,外圈、内圈都是整体两大类;滚动体为圆柱滚子,互成90°垂直排列在V型滚道中,这种结构的轴承可同时承受轴向载荷、径向载荷和倾覆力矩等各个方向的载荷,轴承具有高精度、高刚性以及复合承载能力。
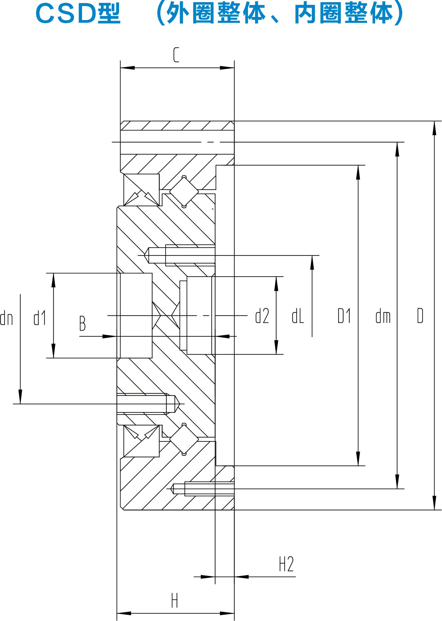
产品名称:CSD型(外圈整体、内圈整体)
介绍:外圈和内圈均为整体结构,外径尺寸和CSG型相同,比CSG型轴承具有更高的刚性,主要应用在CSD系列减速器输出部位。
参数:


