欢迎您访问洛阳鸿元轴承科技有限公司网站!
全国咨询热线: 18837917076 网站地图

产品展示

机器人减速器轴承

CSG(CSF)型谐波减速器轴承

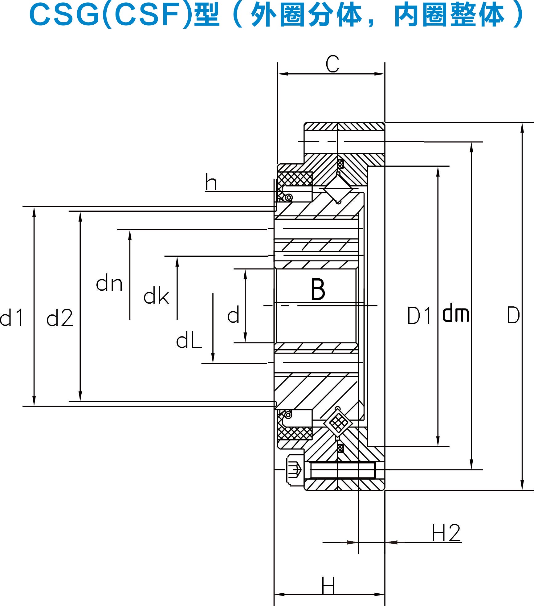
外圈被分成两片,内圈为整体结构,安装时不需要法兰和轴承座,主要应用在CSG和CSF系列的各类减速器输出部位。谐波减速器轴承包括刚性轴承和柔性轴承两大类型。
品牌: 滚道形状:
产品详情

谐波减速器轴承包括刚性轴承和柔性轴承两大类型,刚性轴承包含四种系列,CSG系列、SHG系列,其命名方式采用减速器的命名;柔性轴承的命名为HYR。
产品名称:CSG(CSF)系列
        介绍:外圈被分成两片,内圈为整体结构,安装时不需要法兰和轴承座,主要应用在CSG和CSF系列的各类减速器输出部位。

参数:

图纸1.jpg

尺寸1.jpg

尺寸2.jpg